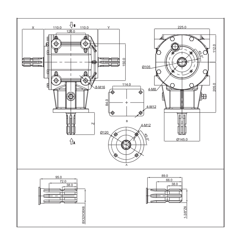
KLF-GC225にはさまざまな透過速度比があり、ストロークラッシャー、芝刈り機などをカバーするさまざまな種類の農業機械と機器に適応できます。最大電力100hpこの製品は、カッターシャフトが動作中に高速で回転するときに単一のクラッチデバイスで設計されています。作業を停止すると、トラクターは突然電源入力を停止します。カッターシャフトの慣性が大きすぎて、単一のクラッチはギアとシャフトを損傷から効果的に保護します。
KLF-GC225にはさまざまな透過速度比があり、ストロークラッシャー、芝刈り機などをカバーするさまざまな種類の農業機械と機器に適応できます。最大電力100hpこの製品は、カッターシャフトが動作中に高速で回転するときに単一のクラッチデバイスで設計されています。作業を停止すると、トラクターは突然電源入力を停止します。カッターシャフトの慣性が大きすぎて、単一のクラッチはギアとシャフトを損傷から効果的に保護します。
| 使用 | | 入力 | 出力 | ||||
| R.P.M | KW | HP | N.M | N.M | R.P.M | ||
| | 1:3.00 | 540 | 58.8 | 80 | 1040 | 347 | 1620 |
| 1:2.42 | 540 | 58.8 | 80 | 1040 | 430 | 1307 | |
| 1:1.86 | 540 | 62.5 | 85 | 1105 | 594 | 1004 | |
| 1:1.63 | 540 | 65.0 | 88 | 1149 | 705 | 880 | |
| 1:1.47 | 540 | 69.8 | 95 | 1234 | 839 | 794 | |
| 1:1 | 540 | 66.2 | 90 | 1171 | 1171 | 540 | |
| 注:特別な要件がある場合は、お気軽にお知らせください。カスタムも受け入れます。 | |||||||
